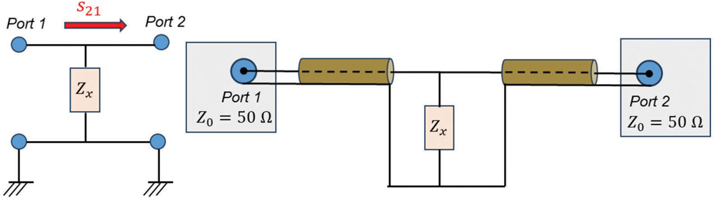
his is the second of two articles devoted to the topic of capacitance impedance evaluation from the S parameter measurements using a network analyzer. The previous article [1] described the impedance measurements and calculations from the S11 parameters using the one-port shunt, two-port shunt, and two-port series methods. This article is devoted to the impedance measurements and calculations from the S21 parameters using the two-port shunt and two-port series methods.
The reflection coefficient at the discontinuity was derived in [1, Eq. (13)] as
Impedance curves for a 47 nF capacitor are shown in Figure 8.
Impedance curves for a 470 nF capacitor are shown in Figure 10.
The overall conclusion is that the two-port shunt method is the most accurate method for the capacitor impedance evaluation from S21 parameter measurements.
- Bogdan Adamczyk, Patrick Cribbins, and Khalil Chame, “Capacitor Impedance Evaluation from S Parameter Measurements – Part 1: S11 One-Port Shunt, Two-Port Shunt, and Two-Port Series Methods,” In Compliance Magazine, February 2025.
- Keysight Application Note, Impedance Measurements of EMC Components with DC Bias Current.
- Microwaves & RF Application Note, Make Accurate Impedance Measurements Using a VNA.
- Murata Design Support Software “SimSurfing.”
















